Válvula de borboleta em ferro fundido para montagem entre flanges tipo
1. Cabeça de válvula normalizada EN ISO 5211
Facilidade de acoplamento com qualquer inversor
2. Três buchas de guia no eixo
Existe um alinhamento perfeito do eixo no corpo e as oscilações são evitadas mesmo com altas pressões
O atrito entre o eixo e o corpo é reduzido
3. Guarnição vulcanizada no anel rígido
A guarnição sofre menos deformação durante o uso
A montagem/desmontagem da vedação é facilitada para possíveis manutenções
A guarnição não sofre deformação entre os flanges durante a montagem
Maior precisão dimensional durante a fase de estampagem
4. Eixo de 2 peças sem elementos de fixação
A montagem/desmontagem da lente é facilitada para possíveis manutenções
Maior Kv graças à seção central mais fina do disco mais fino em relação a uma válvula com um eixo único
5. Circunferência da lente com acabamento lapidado
Melhor vedação e menor desgaste da guarnição
Há menos torque devido à menor fricção entre o disco e a guarnição
Ampla gama de materiais
Possibilidade de uso em diferentes aplicações
Certificado ATEX
Permite a instalação na presença de um ambiente potencialmente explosivo.
Certificado PED
Cumprimento total das normas de segurança europeias para os dispositivos sob pressão
CARACTERÍSTICAS GERAIS:
As válvulas de borboleta OMAL, disponíveis nas versões wafer e lug nos tamanhos de DN 40 a DN 600 (lug DN 300), foram projetadas e construídas para lidar com a maioria das aplicações em todos os setores da indústria
- Requisitos gerais de acordo com a UNI EN593
- Espaçamentos normalizados EN 558 série 2
- Vedação conforme EN 12266-1 rate A com pressão diferencial de 16 bar.
- Guarnição semi-rígida integral obtida pela vulcanização da camada de elastômero em um anel de suporte rígido.
- Geometria da guarnição otimizada para uma aderência perfeita ao corpo da válvula e vedação nos flanges sem outros elementos adicionais. O aperto dos flanges não afeta o torque operacional ou o funcionamento da própria válvula.
- Acabamento da borboleta com bordas lapidadas, o que permite otimizar a vedação, reduzir o torque de manobra e reduzir significativamente o desgaste da guarnição.
- Buchas guia no eixo.
- Acoplamento haste-lente com eixo duplo realizado sem elementos de fixação (parafusos, cavilhas, pinos, etc.) para eliminar pontos de risco de corrosão e ruptura.
- Também facilitadas quaisquer desmontagens para manutenção ou limpeza.
- Acoplamento com qualquer acionamento (pneumático, elétrico, manual, etc.) facilitado pelo pescoço da válvula com plano normalizado EN ISO 5211.
- Todos os detalhes são tratados adequadamente para garantir total compatibilidade com a maioria dos fluidos utilizados nos processos industriais.
Os dados e as características deste catálogo podem ser alterados para fins de aprimoramento técnico, mesmo sem aviso prévio e, portanto, não são vinculativos para fins de fornecimento.
EXECUÇÕES STANDARD:
• Flange standard:
PN 10 - PN 16 - ANSI 150 de DN 40 a DN 300.
PN 10 de DN 350 a DN 600
• Requisitos gerais de acordo com UNI EN593
• Volumes ocupados de faixa a faixa normalizados EN 558 série 20
• Cabeça da válvula normalizada ISO 5211 (DN40-DN300)
• Vedação conforme EN 12266-1 rate A
• Outros combinações a pedido.
• Temperatura de operação para as guarnições:
EPDM: de -25°C a +135°C ;
NBR: de -23°C a +82°C;
FKM: de -10°C a +190°C (DN40-DN300);
PTFE (em base EPDM): de -25°C a +135°C (DN40-DN300).
• Pressão de operação entre flanges:
PN 16 bar para DN 40÷300
PN 10 bar para DN 350÷600
• Espessura do revestimento epóxi: 160 ÷ 200 μ. RAL: 5015.
EXECUÇÕES A PEDIDO:
• Temperatura de operação para uarnições especiais:
SILICONE: de -25°C a +160°C;
NBR CARBOX: de -10°C a +82°C;
NBR BRANCO para fluidos alimentares: de -23°C a +82°C;
HNBR: de -20°C a +120°C
• Para outras aplicações, entrar em contato com nosso departamento de vendas.
CERTIFICAÇÕES:
• Em conformidade com a diretiva europeia 2014/68/UE "PED".
• Aprovação DVGW para gás combustível (V376).
• Aprovação RINA.
• Declaração de conformidade com o D.M. nº 174 para a adequação ao contato com água potável e fluidos alimentares (V376).
• Versão ATEX em conformidade com a Diretiva Europeia 2014/34/UE.
• Certificado ATEX a pedido (Para válvulas com junta de PTFE apenas até DN200).
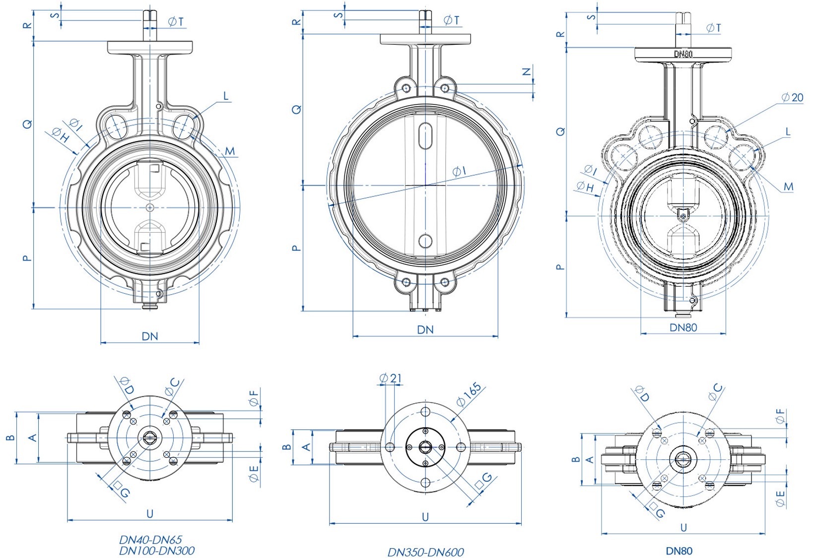
| DIMENSÕES | ||||||||||||||||||||||
| MEDIDA | A | B | ØC | ØD | ØE | ØF | ØG | ØG’ | ØH | ØI | L | M | N | P | Q | R | R’ | S | S’ | ØT | U | |
| DN [mm] | [polegada] | |||||||||||||||||||||
| DN 40 | 1"1/2 | 33 | 36 | 50 | 70 | 6,5 | 8,5 | 9 | 110 | 98,5 | R10 | R9 | 70 | 125 | 31 | 9 | 14,2 | 116 | ||||
| DN 50 | 2" | 43 | 46 | 50 | 70 | 6,5 | 8,5 | 9 | 125 | 121 | R10 | R10,5 | 80 | 140 | 31 | 9 | 14,2 | 128 | ||||
| DN 65 | 2"1/2 | 46 | 49 | 50 | 70 | 6,5 | 8,5 | 11 | 145 | 140 | R10 | R10,5 | 86 | 152 | 33 | 11 | 14,2 | 143 | ||||
| DN 80 | 3" | 46 | 49 | 50 | 70 | 6,5 | 8,5 | 11 | 160 | 153 | R10 | R10,5 | 95,5 | 159 | 33 | 11 | 14,2 | 153 | ||||
| DN 100 | 4" | 52 | 56 | 50 | 70 | 6,5 | 8,5 | 11 | 191 | 180 | R10,5 | R10 | 108 | 178 | 33 | 11 | 14,2 | 175 | ||||
| DN 125 | 5" | 56 | 59 | 70 | 8,5 | 14 | 216 | 210 | R12,5 | R10 | 124,5 | 190,5 | 36 | 14 | 19 | 197 | ||||||
| DN 150 | 6" | 56 | 59 | 70 | 8,5 | 14 | 242 | 240 | R12,5 | R12 | 137 | 203 | 36 | 14 | 19 | 222 | ||||||
| DN 200 | 8" | 60 | 64 | 70 | 8,5 | 17 | 299 | 295 | R12,5 | R12 | 166 | 238 | 39 | 17 | 22,2 | 279 | ||||||
| DN 250 | 10" | 68 | 72 | 102 | 125 | 11 | 13 | 22 | 362 | 350 | R14 | R13,5 | 199 | 268 | 55 | 22 | 28,5 | 340 | ||||
| DN 300 | 12" | 78 | 81,5 | 102 | 125 | 11 | 13 | 22 | 432 | 400 | R14 | R13,5 | 234 | 306 | 55 | 22 | 28,5 | 410 | ||||
| DN 350 | 14" | 78 | 82 | 22 | 460 | M20 | 293 | 352 | 55 | 22 | 28,5 | 446 | ||||||||||
| DN 400 | 16" | 102 | 105 | 27 | 515 | M24 | 325 | 388 | 60 | 27 | 36,5 | 508 | ||||||||||
| DN 450 | 18" | 114 | 118 | 27 | 565 | M24 | 348 | 415 | 60 | 27 | 36,5 | 543 | ||||||||||
| DN 500 | 20" | 127 | 130,5 | 36 | 620 | M24 | 386,5 | 441 | 70 | 36 | 48,5 | 600 | ||||||||||
| DN 600 | 24" | 154 | 158 | 36 | 725 | M27 | 447,5 | 505 | 70 | 36 | 48,5 | 718 | ||||||||||
| N.B. : G’, R’, S’ QUOTAS REFERIDAS A VÁLVULAS ∆P máx 10 bar | ||||||||||||||||||||||
DIMENSÕES DO CORPO EM FERRO FUNDIDO COM ALAVANCA | ||||||
| MEDIDA | A | B | øC | D | Kg | |
| DN [mm] | [polegada] | |||||
| DN 40 | 1"1/2 | 188 | 70 | 90 | 160 | 2,2 |
| DN 50 | 2" | 203 | 80 | 90 | 160 | 3,0 |
| DN 65 | 2"1/2 | 225 | 86 | 90 | 220 | 3,8 |
| DN 80 | 3" | 230 | 95,5 | 90 | 220 | 4,0 |
| DN 100 | 4" | 250 | 108 | 90 | 220 | 5,1 |
| DN 125 | 5" | 277 | 124,5 | 90 | 350 | 7,8 |
| DN 150 | 6" | 290 | 137 | 90 | 350 | 9,2 |
| DN 200 | 8" | 325 | 166 | 90 | 350 | 13,3 |
CARACTERÍSTICAS DA ALAVANCA
Alavanca com ajuste dentado em 10 posições:
Material: alumínio;
Tratamento externo: pintado (poliéster);
Peso: de 0,3 a 0,9 kg
Trancável em cada posição.
DIMENSÕES DO CORPO EM FERRO FUNDIDO COM REDUTOR | |||||||||||||
| MEDIDA | A | B | C | D | øE | F | G | H | I | L | M | Kg | |
| DN [mm] | [polegada] | ||||||||||||
| DN 40 | 1"1/2 | 200 | 49 | 24 | 80 | 140 | 115 | 42 | 35 | 171,2 | 70 | 160 | 3,3 |
| DN 50 | 2" | 200 | 49 | 24 | 80 | 140 | 115 | 42 | 35 | 185,9 | 80 | 160 | 4,1 |
| DN 65 | 2"1/2 | 200 | 54 | 27 | 100 | 200 | 130 | 50 | 40 | 201,6 | 86 | 150 | 5,7 |
| DN 80 | 3" | 200 | 54 | 27 | 100 | 200 | 130 | 50 | 40 | 208 | 95,5 | 150 | 6 |
| DN 100 | 4" | 200 | 54 | 27 | 100 | 200 | 130 | 50 | 40 | 227 | 108 | 150 | 7 |
| DN 125 | 5" | 200 | 54 | 27 | 100 | 200 | 130 | 50 | 40 | 239,7 | 124,5 | 150 | 9,4 |
| DN 150 | 6" | 200 | 54 | 27 | 100 | 200 | 130 | 50 | 40 | 252,4 | 137 | 150 | 10,7 |
| DN 200 | 8" | 250 | 70,5 | 40,5 | 140 | 300 | 175 | 60 | 60 | 300,7 | 166 | 180 | 17,4 |
| DN 250 | 10" | 250 | 70,5 | 40,5 | 140 | 300 | 175 | 60 | 60 | 342 | 199 | 180 | 28 |
| DN 300 | 12" | 250 | 70,5 | 40,5 | 140 | 300 | 175 | 60 | 60 | 380 | 234 | 180 | 37,5 |
| DN 350 | 14" | 250 | 70,5 | 40,5 | 140 | 300 | 175 | 60 | 60 | 425,5 | 293 | 180 | 56 |
| DN 400 | 16" | 421 | 102 | 48 | 220 | 300 | 258 | 105 | 75 | 461 | 325 | 301 | 95 |
| DN 450 | 18" | 421 | 102 | 48 | 220 | 300 | 258 | 105 | 75 | 488 | 348 | 301 | 112 |
| DN 500 | 20" | 456 | 102 | 48 | 220 | 500 | 258 | 105 | 75 | 514 | 386,5 | 346 | 141 |
| DN 600 | 24" | 456 | 102 | 48 | 220 | 600 | 258 | 105 | 75 | 578 | 447,5 | 346 | 205 |
CARACTERÍSTICAS DO REDUTOR
Mecanismo de concepção comprovada, trabalhando através de pinhão dentado e parafuso sem-fim.
Um indicador visual indica a posição da válvula.
Cárter em liga de alumínio para os redutores "RF0" (IP65), em ferro fundido para redutores "RRM..." (IP67).
Pinhão dentado em ferro fundido.
Parafuso sem fim em aço tratado.
Volante em aço.
Exterior tratado com tinta epóxi.
MATERIALS | ||
| 1 | Corpo | A536 65-45-12 (GGG50) (Equivalente a EN-GJS-450-10 EN-JS 1040) |
| 2 | Lente | A536 65-45-12 (GGG50) - A351 CF8M (316 S.S.) |
| 3* | Guarnição | EPDM-NBR |
| 4 | Eixo de comando | A276 S42000 (420 S.S.) (Equaivalente a X20CR13; 1.4021) |
| 5 | Eixo inferior | A276 S42000 (420 S.S.) (Equaivalente a X20CR13; 1.4021) |
| 6* | O-ring inferior | EPDM-NBR (FKM somente se particular) |
| 7* | Casquilho superior | Resina epóxi |
| 8* | Casquilho guida | Resina epóxi com PTFE para os tamanhos DN40 a DN300, Bronze para os tamanhos DN350 a DN600 |
| 9* | Cavilhas elásticos | Aço inoxidável |
| 10* | O-ring eixo | EPDM-NBR |
CORPO
DN40 - 600
FERRO FUNDIDO A536 65-45-12*
PINTURA EPÓXI
RAL 5015*
HASTE
AÇO INOXIDÁVEL A276 S4200 *
AÇO INOXIDÁVEL A564 TP 630
LENTE
DN40 - 600
FERRO FUNDIDO A536 65-45-12*
REVESTIMENTO QUÍMICO DE NÍQUEL
AÇO INOXIDÁVEL A351-CF8M (316 S.S.)*
AÇO INOXIDÁVEL A351-CF3M (316 S.S.) LUCIDATO
BRONZE / ALUMÍNIO B148C95400 *
*Standard OMAL supply
GUARNUÇÃO
DN40 - 600
EPDM*
NBR*
DN40 - 300
FKM*
PTFE ON EPDM*
NBR BRANCO
NBR BRANCO PARA ÁGUA
HNBR
NBR CARBOX
SILICONE
GUIA PARA O USO DE MATERIAIS | ||
MATERIALS | CARACTERÍSTICAS | APLICAÇÕES |
| FERRO FUNDIDO A536 65-45-12 | Resistência mecânica comparável à do aço. Temperatura de trabalho: de -25 ° C a + 250 ° C. | Usos gerais Normalmente usado para corpo e borboleta |
| BRONZE / ALUMÍNIO | Muito boa resistência à corrosão | Fluidos corrosivos, água do mar |
| RIVESTIMENTO RILSAN | Muito boa resistência à corrosão | Usos gerais Normalmente usado para corpo e borboleta |
| AÇO INOXIDÁVELA351-CF8M | Muito boa resistência à corrosão | Circuitos alimentícios, químicos, farmacêuticos etc. |
| EPDM | Temperatura de operação: de -25 ° C a + 135 ° C. Não recomendado para hidrocarbonetos. | Água (adocicada, industrial, glicol, água do mar), vapor de água, ozônio, bases e ácidos diluídos, solventes acetônicos, Álcool, soda cáustica, agentes atmosféricos |
| NBR | Boas propriedades mecânicas (abrasão), boa vedação contra óleos minerais a certos hidrocarbonetos e solventes alifáticos. -23°C a +82°C. Não recomendado com acetonas, cetonas, nitratos e hidrocarbonetos clorados. | Serviços gerais, ar comprimido, água fria, fluidos hidráulicos, metano, butano, petróleo, água do mar, circuitos abrasivos de transporte pneumático, gorduras animais e vegetais. |
| NBR BRANCO | Boas propriedades mecânicas (abrasão), boa vedação contra óleos minerais, certos hidrocarbonetos e solventes alifáticos Temperatura de uso: -23°C a +82°C. Não recomendado com acetonas, cetonas, nitratos e hidrocarbonetos clorados. | Serviços gerais, ar comprimido, água fria, fluidos hidráulicos, metano, butano, petróleo, água do mar e circuitos abrasivos de transporte pneumático. |
| NBR BRANCO PARA ÁGUA POTABILE | Formulado especificamente para uso com água destinada ao consumo humano de acordo com e de acordo com o D.L. 174/2004. Temperatura de uso: -23°C a +82°C. Não recomendado com acetonas, cetonas, nitratos e hidrocarbonetos clorados. | Serviços gerais, ar comprimido, água fria, fluidos hidráulicos, metano, butano, petróleo, água do mar e circuitos abrasivos de transporte pneumático. |
| NBR CARBOX | Boas propriedades mecânicas (abrasão), boa vedação contra óleos minerais a certos hidrocarbonetos e solventes alifáticos Temperatura de uso: -10°C a +82°C. Não recomendado com acetonas, com cetonas, nitratos e hidrocarbonetos clorados. Excelente resistência à abrasão. | Líquidos e pós abrasivos |
| HNBR | Excelentes propriedades mecânicas (abrasão), boa vedação contra óleos minerais e certos hidrocarbonetos e solventes alifáticos Temperatura de uso: -20°C a +120°C. Não recomendado com acetonas, com cetonas, nitratos e hidrocarbonetos clorados. | Serviços gerais, ar comprimido, água fria, fluidos hidráulicos, metano, butano, petróleo, água do mar e circuitos abrasivos de transporte pneumático. |
| FKM | Muito boa resistência a: calor, luz, agentes atmosféricos, solventes bezóicos. Impermeável a gases. Não recomendado para vapor e água fervente. Temperatura de uso: -10°C a +190°C. | Solventes (menos os acetônicos), hidrocarbonetos sólidos, combustíveis oxigenantes, ácidos, bases, fluidos hidráulicos, óleos. |
| SILICONE DE ALTA TEMPERATURA | Muito boa resistência à água superaquecida e ao vapor (até 150°) Temperatura de uso: -25°C a 160°C. | Ar ou gás inerte quente (até +180°C), indústrias alimentícias, água, vapor. |
| PTFE ON EPDM | Muito boa resistência química a solventes e produtos corrosivos. Não recomendado para fluidos abrasivos, metais alcalinos (potássio, sódio), flúor gasoso. Temperatura de uso: -25°C a +135°C. | IIndústrias alimentícia e química com produtos muito corrosivos. |
| N.B. A tabela acima mostra as características peculiares e as consequentes aplicações específicas de cada material que a OMAL lhe disponibiliza. No entanto, em situações incomuns (como instalações especiais, contato com fluidos específicos, condições extraordinárias de pressão e temperatura, etc.), a variação dos fatores que influenciam a corrosão e a abrasão pode alterar o desempenho dos materiais. De qualquer forma, lembramos que a escolha final do material permanece com o cliente e que nosso departamento técnico terá prazer em examinar qualquer uma das suas necessidades. | ||
TORQUE DE PARTIDA em Nm | |||||||||||||||
| MEDIDA | DN 40 1"1/2 | DN 50 2" | DN 65 2"1/2 | DN 80 3" | DN 100 4" | DN 125 5" | DN 150 6" | DN 200 8" | DN 250 10" | DN 300 12" | DN 350 14" | DN 400 16" | DN 450 18" | DN 500 20" | DN 600 24" |
| PN 10 bar | 109 | 145 | 218 | 340 | 510 | 680 | 1020 | 1300 | |||||||
| PN 16 bar | 18 | 18 | 25 | 27 | 35 | 52 | 72 | 142 | 170 | 250 | |||||
DIAGRAMA DE PERDA DE CARGA-VAZÃO
Exemplo: procura da queda de pressão e velocidade para uma vazão de água de 0,1 m³/s. em uma válvula de 6"de diâmetro
(DN 150) com um ângulo de abertura de 90°.
1) Determinar o ponto de encontro das linhas de vazão e diâmetro da válvula.
2) A partir deste ponto, subir verticalmente até atingir a linha de 90° e, a partir do novo ponto encontrado, traçar uma linha horizontal até a escala da perda de carga, encontrando o valor requerido (0,038 bar).
3) Do ponto 1 descendo verticalmente na escala das velocidades, podemos ler o valor da velocidade do fluido (5 m/s).
INSTRUÇÕES DE MONTAGEM
A distância entre os flanges deve permitir a introdução da válvula sem que a guarnição interfira as mesmas. Durante a operação, a borboleta deve estar em posição semi-fechada.
Após posicionar a válvula entre os flanges e antes de apertar os parafusos, a borboleta deve estar na posição aberta. Caso contrário, a guarnição poderia ser danificada ou deformada permanentemente durante o fechamento da válvula.
Exemplo de montagem incorreta: os flanges não estão suficientemente abertos, a vedação pode se deteriorar.
A válvula de borboleta OMAL é montada entre os flanges dos tubos sem anéis de vedação adicionais e é centralizada pelos tirantes e pelos parafusos de fixação. Os diâmetros dos flanges devem estar em conformidade com os valores indicados.
D0 diâmetro mínimo do flange para permitir o alojamento da válvula (no caso de uma válvula perfeitamente centralizada)
D1 diâmetro máximo do flange para um uso ideal
D2 diâmetro máximo possível do flange para uso em pressão reduzida. Nesse caso e para qualquer necessidade, contatar o nosso escritório técnico para possíveis esclarecimentos.
DIMENSÕES DO FLANGE | |||||||||||||||
| Diâmetro | DN 40 | DN 50 | DN 65 | DN 80 | DN 100 | DN 125 | DN 150 | DN 200 | DN 250 | DN 300 | DN 350 | DN 400 | DN 450 | DN 500 | DN 600 |
| D0 [mm] | 30 | 36 | 51 | 67 | 93 | 119 | 143 | 196 | 247 | 297 | 329 | 376 | 426 | 475 | 573 |
| D1 [mm] | 45 | 57 | 69 | 82 | 107 | 133 | 154 | 206 | 257 | 310 | 338 | 390 | 441 | 492 | 596 |
| D2 [mm] | 51 | 68 | 80 | 93 | 116 | 148 | 170 | 221 | 276 | 327 | 346 | 399 | 450 | 500 | 602 |