1. Faixas de vedação e deslizamento energizadas autolubrificantes.
Menos atrito entre o pistão e cilindro.
Se evita que a guarnição grude no cilindro mesmo após longos períodos de inatividade.
2. Came de ajuste em aço.
Possibilidade de regular o fechamento e/ou a abertura com um atuador standard (±5° para cada regulação).
Simplicidade e confiabilidade da regulação.
3. Transformação do movimento linear em movimento rotativo através da cinemática Pinhão e Cremalheira.
Momento de torção linear durante a abertura e fechamento (adequado para válvulas de esfera).
Alta precisão de regulação graças à rigidez do sistema pinhão cremalheira e ao batente mecânico entre o came e o grão de regulação.
Velocidade de rotação uniforme.
4. Cilindro laminado.
Menor desgaste das faixas energizadas graças à baixa rugosidade superficial (0,15 μm Ra).
5. Sistema modular de molas a cartucho.
Alta flexibilidade e precisão de configuração do momento de torção gerado pelas molas.
Ampla gama de configurações.
Possibilidade de interface para válvulas solenóide NAMUR em toda a gama.
Com base reportada de RK10 para RK240. - Integrada para RK 300 e RK480.
Roscas dos furos de ar NPT disponíveis a pedido.
Obtida com base reportada em todos os tamanhos.
Processo de produção inteiramente realizado na OMAL.
Controle máximo em todas as fases de manufatura.
ATEX compliance.
Permite a instalação na presença de um ambiente potencialmente explosivo.
Certificados até SIL 3
Alto nível de segurança funcional
DADOS TÉCNICOS
• Torque de 15 Nm a 347 Nm.
• Flange de conexão: EN ISO 5211: F03 - F04 - F05 - F07 - F10 - F12.
• Em conformidade com a EN 15714-3.
• Em conformidade com a diretiva ATEX 2014/34/UE.
• Ângulo de rotação: 100° (-5°, +95°).
• Ajuste duplo -5° e + 5° para cada interruptor de interruptor de limite (0° e 90°).
• Momento de torção: Depende da pressão de alimentação e do tamanho das molas (ver tabela).
CONDIÇÕES DE OPERAÇÃO
• Temperatura standard: de -20°C a + 80°C.
Versões especiais:
- alta temperatura: -20°C + 150°C.
- baixa temperatura: -50°C +60°C.
• Pressão nominal: 6 bar (versão standard RS60); máxima de operação 8 bar.
• Fluido de alimentação: ar comprimido filtrado não necessariamente lubrificado de acordo com UNI EN 15714-3:2009.
• Em caso de lubrificação usar óleo não detergente, compatível com as vedações internas.
VERSÕES ESPECIAIS A PEDIDO, CHAVE DE CODIFICAÇÃO
| CARACTERÍSTICA | ||
| Atuador oscilante | RK | |
| Corte | 0010, 0020, 0040, 0060, 0080, 00120, 00160, 0240, 0300, 0480 | |
| Cliente | VO | OMAL |
| Ângulo de rotação [°] | A | 90° |
| B* | 180° | |
| C* | 120° | |
| D* | 135° | |
| Direção de fechamento | R | Fechamento em sentido horário |
| L | Fechamento em sentido anti-horário | |
| Operação | S | Efeito simples N.C. |
| O | Efeito simples N.O. | |
| D | Efeito duplo | |
| Molas usadas | 00 | Sem molas |
| 20 | Molas para 2,0 bar | |
| 25 | Molas para 2,5 bar | |
| 30 | Molas para 3,0 bar | |
| 35 | Molas para 3,5 bar | |
| 40 | Molas para 4,0 bar | |
| 45 | Molas para 4,5 bar | |
| 50 | Molas para 5,0 bar | |
| 55 | Molas para 5,5 bar | |
| 60 | Molas para 6,0 bar | |
| Tipo de Flange, no caso de flange duplo a menor | 03 | F03 |
| 04 | F04 | |
| 05 | F05 | |
| 07 | F07 | |
| 10 | F10 | |
| 12 | F12 | |
| Forma da sede do eixo inferior | Q | Eixo a estrela |
| D* | Eixo plano duplo | |
| Dimensão do assento do eixo inferior | 09 | Quadro de 9 mm |
| 11 | Quadro de 11 mm | |
| 14 | Quadro de 14 mm | |
| 17 | Quadro de 17 mm | |
| 22 | Quadro de 22 mm | |
| 27 | Quadro de 27 mm | |
| Conexão de ar | G | Base Namur, roscas GAS |
| N | Base Namur, roscas NPT | |
| 0 | Rosca Gas no cilindro sem base (sem interface Namur) | |
| I | Interface Namur, roscas Gas integradas | |
| Versão | - | Standard |
| 6* | Temperatura baixa | |
| 4* | Temperatura alta | |
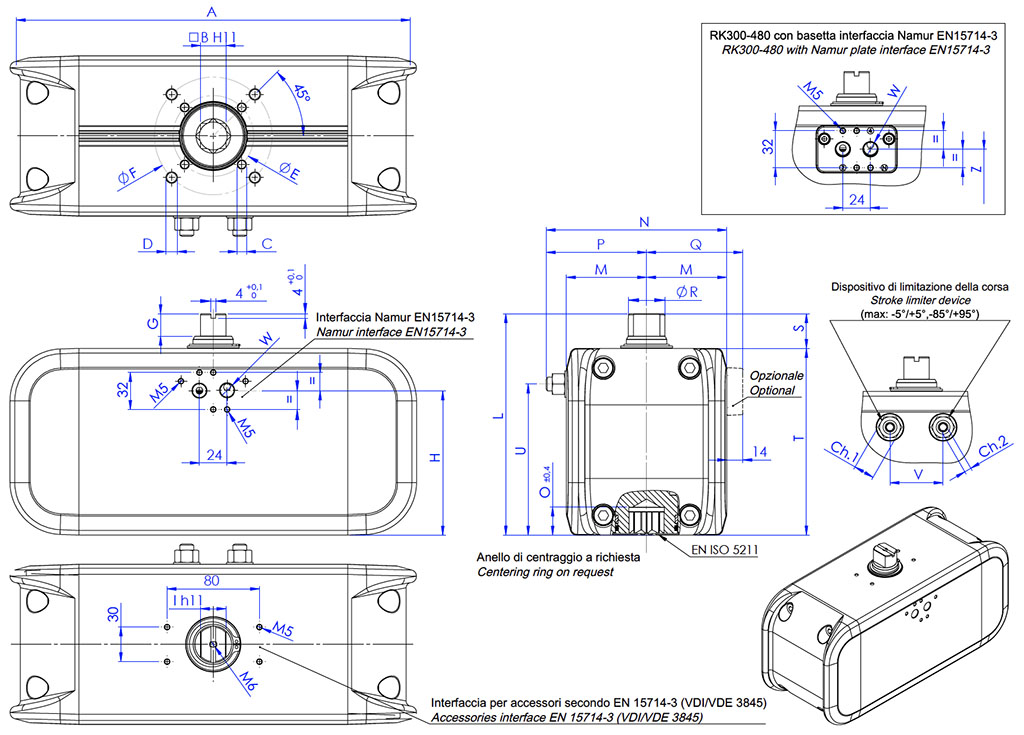
| DIMENSÕES [mm] | |||||||||||||
| Tamanho | RK20 | RK20 | RK20 | RK20 | RK40 | RK40 | RK40 | RK40 | RK60 | RK80 | RK120 | RK160 | RK240 |
| ISO | F03/F05 | F03/F05 | F04 | F04 | F04 | F04 | F05/F07 | F05/F07 | F05/F07 | F05/F07 | F05/F07 | F07/F10 | F07/F10 |
| A | 153,7 | 153,7 | 153,7 | 153,7 | 180,4 | 180,4 | 180,4 | 180,4 | 215,4 | 235,5 | 265,9 | 285,9 | 318,4 |
| B | 9 | 11 | 9 | 11 | 11 | 14 | 11 | 14 | 14 | 17 | 17 | 22 | 22 |
| C x profundidade | M5x8 | M5x8 | M5x8 | M5x8 | M5x8 | M5x8 | M6x9 | M6x9 | M6x9 | M6x9 | M6x9 | M8x12 | M8x12 |
| D x profundidade | M6x9 | M6x9 | - | - | - | - | M8x12 | M8x12 | M8x12 | M8x12 | M8x12 | M10x15 | M10x15 |
| E | 36 | 36 | 42 | 42 | 42 | 42 | 50 | 50 | 50 | 50 | 50 | 70 | 70 |
| F | 50 | 50 | - | - | - | - | 70 | 70 | 70 | 70 | 70 | 102 | 102 |
| G | 10 | 10 | 10 | 10 | 13 | 13 | 13 | 13 | 13 | 13 | 13 | 13 | 19,5 |
| H | 50,9 | 50,9 | 50,9 | 50,9 | 60,8 | 60,8 | 60,8 | 60,8 | 68,7 | 75,6 | 87,6 | 97,5 | 112 |
| I | 9 | 9 | 9 | 9 | 12 | 12 | 12 | 12 | 12 | 15 | 15 | 19 | 22 |
| L | 100 | 100 | 100 | 100 | 112 | 112 | 112 | 112 | 122 | 130 | 143 | 154 | 180 |
| M | 30 | 30 | 30 | 30 | 36,5 | 36,5 | 36,5 | 36,5 | 41,5 | 46 | 51 | 56,5 | 64 |
| N | 82,5* | 82,5* | 82,5* | 82,5* | 95,5* | 95,5* | 95,5* | 95,5* | 107,8* | 116,5* | 127* | 141* | 159* |
| O | 13,2 | 13,2 | 13,2 | 13,2 | 16,5 | 16,5 | 16,5 | 16,5 | 16,5 | 19,3 | 19,3 | 24,3 | 24,3 |
| P | 38,5* | 38,5* | 38,5* | 38,5* | 45* | 45* | 45* | 45* | 52,3* | 56,5* | 62* | 70,5* | 81* |
| Q | 44 | 44 | 44 | 44 | 50,5 | 50,5 | 50,5 | 50,5 | 55,5 | 60 | 65 | 70,5 | 78 |
| R | 12,7 | 12,7 | 12,7 | 12,7 | 16,2 | 16,2 | 16,2 | 16,2 | 18 | 20,2 | 22,5 | 25,5 | 31,8 |
| S | 20 | 20 | 20 | 20 | 20 | 20 | 20 | 20 | 20 | 20 | 20 | 20 | 30 |
| T | 80 | 80 | 80 | 80 | 92 | 92 | 92 | 92 | 102 | 110 | 123 | 134 | 150 |
| U | 59,75 | 59,75 | 59,75 | 59,75 | 70,5 | 70,5 | 70,5 | 70,5 | 79 | 86 | 97,75 | 106,25 | 120,5 |
| V | 19 | 19 | 19 | 19 | 21 | 21 | 21 | 21 | 24 | 26 | 32 | 36 | 41 |
| W standard (GAS) | 1/8" | 1/8" | 1/8" | 1/8" | 1/8" | 1/8" | 1/8" | 1/8" | 1/8" | 1/8" | 1/4" | 1/4" | 1/4" |
| W especial (NPT) | 1/8"-27 | 1/8"-27 | 1/8"-27 | 1/8"-27 | 1/8"-27 | 1/8"-27 | 1/8"-27 | 1/8"-27 | 1/8"-27 | 1/8"-27 | 1/4"-18 | 1/4"-18 | 1/4"-18 |
| Ch.1 | 10 | 10 | 10 | 10 | 10 | 10 | 10 | 10 | 13 | 13 | 13 | 16 | 18 |
| Ch.2 | 3 | 3 | 3 | 3 | 3 | 3 | 3 | 3 | 4 | 4 | 4 | 5 | 6 |
| Peso (kg) | 1,5** | 1,5** | 1,5** | 1,5** | 2,3** | 2,3** | 2,3** | 2,3** | 3,2** | 4,1** | 5,7** | 7,3** | 10,2** |
| Ar (dm3/ciclo) | 0,11 | 0,11 | 0,11 | 0,11 | 0,2 | 0,2 | 0,2 | 0,2 | 0,31 | 0,44 | 0,61 | 0,83 | 1,21 |
| Z | 59,9 | 59,9 | 59,9 | 59,9 | 69,8 | 69,8 | 69,8 | 69,8 | 77,7 | 84,6 | 96,6 | 106,6 | 121 |
| W | 1/8" | 1/8" | 1/8" | 1/8" | 1/8" | 1/8" | 1/8" | 1/8" | 1/8" | 1/8" | 1/4" | 1/4" | 1/4" |
H = CENTRO DAS FIXAÇÕES DA BASE.
* Variável dependendo da configuração.
** Variável de acordo com o conjunto de molas instalado.
| DIMENSÕES [mm] | ||
| Tamanho | RK300 | RK480 |
| ISO | F07/F10 | F10/F12 |
| A | 352,4 | 393,4 |
| B | 22 | 27 |
| C x profundidade | M8x12 | M10x15 |
| D x profundidade | M10x15 | M12x18 |
| E | 70 | 102 |
| F | 102 | 125 |
| G | 19,5 | 19,5 |
| H | 125,6 | 145,6 |
| I | 22 | 27 |
| L | 192 | 214 |
| M | 69.5 | 80 |
| N | 156,5* | 180* |
| O | 24,3 | 29,5 |
| P | 87* | 100* |
| Q | 83,5 | 94 |
| R | 31,8 | 38 |
| S | 30 | 30 |
| T | 162 | 184 |
| U | 131 | 149,5 |
| V | 46 | 52 |
| W standard (GAS) | 1/4” | 1/4" |
| W especial (NPT) | 1/4”-18 | 1/4”-18 |
| Ch.1 | 18 | 21 |
| Ch.2 | 6 | 6 |
| Peso (kg) | 13** | 18,8** |
| Ar (dm3/ciclo) | 1,56 | 2,46 |
| Z | 124,5 | 144,5 |
| W | 1/4” | 1/4” |
H = CENTRO DAS FIXAÇÕES DA BASE.
* Variável dependendo da configuração.
** Variável de acordo com o conjunto de molas instalado.
| MATERIAIS | |||
| Pos. | Descrição | Qtd | Material |
| 1 | Cilindro | 1 | Liga de alumínio |
| 2 | Eixo | 1 | Liga de aço |
| 3* | Braçadeira (suporte superior do eixo) | 1 | Resina acetálica |
| 4* | Braçadeira (suporte inferior do eixo) | 1 | Resina acetálica |
| 5* | O-Ring (guarnição inferior do eixo) | 1 | Borracha nitrílica |
| 6 | Came | 1 | Liga de aço |
| 7* | Anel de suporte interno | 1 | Resina acetálica |
| 8* | Anel de suporte externo | 1 | Resina acetálica |
| 9 | Arruela de regulagem de espessura | 1 | Aço inoxidável |
| 10* | Seeger | 1 | Aço inoxidável |
| 11* | O-ring** | 2 | Borracha nitrílica |
| 12* | O-ring do eixo superior | 1 | Borracha nitrílica |
| 13 | Base Namur** | 1 | Liga de alumínio |
| 14 | Parafusos** | 2 | Aço inoxidável |
| 15* | O-ring | 2 | Borracha nitrílica |
| 16* | Roseta (ajuste de curso) | 2 | Aço inoxidável |
| 17* | Porca (ajuste de curso) | 2 | Aço inoxidável |
| 18* | Grão de regulação | 2 | Aço inoxidável |
| 19 | Pistão | 2 | Liga de alumínio |
| 20* | Sapata de suporte do pistão | 4 | Resina acetálica |
| 21* | Anel de vedação | 2 | Poliuretano |
| 22* | O-ring | 2 | Borracha nitrílica |
| 23* | O-ring da tampa | 2 | Borracha nitrílica |
| 24 | Tampa | 2 | Liga de alumínio |
| 25 | Parafusos | 8 | Aço inoxidável |
| 26 | Mola | 12 | Liga de aço |
| 27 | Recipiente longo para molas | 12 | Resina acetálica |
| 28 | Recipiente curto para molas | 12 | Resina acetálica |
| 29 | Parafuso de pré-carga da mola | 12 | Latão |
O gráfico é indicativo; para os torques ver a tabela abaixo.
| TABELA DE MOMENTO DE TORÇÃO RACKON "SR" N.C. (Nm) | |||||||||||||||||||||||||
| Tamanho | Mola | Ar bar | Momento de mola | ||||||||||||||||||||||
| 2 bar | 2,5 bar | 3 bar | 3,5 bar | 4 bar | 4,5 bar | 5 bar | 5,5 bar | 6 bar | 7 bar | 8 bar | |||||||||||||||
| 0° | 90° | 0° | 90° | 0° | 90° | 0° | 90° | 0° | 90° | 0° | 90° | 0° | 90° | 0° | 90° | 0° | 90° | 0° | 90° | 0° | 90° | 90° | 0° | ||
| RK20 | 20 | 4,9 | 2,5 | 6,7 | 4,4 | 8,6 | 6,2 | 10,4 | 8,0 | 12,2 | 9,9 | 14,0 | 11,7 | 15,9 | 13,5 | 17,7 | 15,3 | 19,5 | 17,2 | 23,2 | 20,8 | 26,8 | 24,5 | 4,8 | 2,4 |
| 25 | 4,3 | 1,4 | 6,1 | 3,2 | 8,0 | 5,0 | 9,8 | 6,8 | 11,6 | 8,7 | 13,4 | 10,5 | 15,3 | 12,3 | 17,1 | 14,2 | 18,9 | 16,0 | 22,6 | 19,6 | 26,2 | 23,3 | 6,0 | 3,0 | |
| 30 | 5,5 | 2,0 | 7,4 | 3,8 | 9,2 | 5,7 | 11,0 | 7,5 | 12,8 | 9,3 | 14,7 | 11,1 | 16,5 | 13,0 | 18,3 | 14,8 | 22,0 | 18,4 | 25,6 | 22,1 | 7,1 | 3,6 | |||
| 35 | 6,8 | 2,6 | 8,6 | 4,5 | 10,4 | 6,3 | 12,2 | 8,1 | 14,1 | 9,9 | 15,9 | 11,8 | 17,7 | 13,6 | 21,4 | 17,3 | 25,0 | 20,9 | 8,3 | 4,2 | |||||
| 40 | 8,0 | 3,3 | 9,8 | 5,1 | 11,6 | 6,9 | 13,5 | 8,8 | 15,3 | 10,6 | 17,1 | 12,4 | 20,8 | 16,1 | 24,4 | 19,7 | 9,5 | 4,8 | |||||||
| 45 | 9,2 | 3,9 | 11,0 | 5,7 | 12,9 | 7,6 | 14,7 | 9,4 | 16,5 | 11,2 | 20,2 | 14,9 | 23,8 | 18,5 | 10,7 | 5,4 | |||||||||
| 50 | 10,4 | 4,5 | 12,3 | 6,4 | 14,1 | 8,2 | 15,9 | 10,0 | 19,6 | 13,7 | 23,2 | 17,3 | 11,9 | 6,0 | |||||||||||
| 55 | 11,7 | 5,2 | 13,5 | 7,0 | 15,3 | 8,8 | 19,0 | 12,5 | 22,6 | 16,1 | 13,1 | 6,6 | |||||||||||||
| 60 | 12,9 | 5,8 | 14,7 | 7,6 | 18,4 | 11,3 | 22,0 | 15,0 | 14,3 | 7,2 | |||||||||||||||
| RK40 | 20 | 9,3 | 4,8 | 12,8 | 8,3 | 16,3 | 11,8 | 19,8 | 15,3 | 23,3 | 18,8 | 26,7 | 22,3 | 30,2 | 25,7 | 33,7 | 29,2 | 37,2 | 32,7 | 44,1 | 39,7 | 51,1 | 46,6 | 9,1 | 4,6 |
| 25 | 8,2 | 2,6 | 11,7 | 6,1 | 15,1 | 9,5 | 18,6 | 13,0 | 22,1 | 16,5 | 25,6 | 20,0 | 29,1 | 23,5 | 32,6 | 27,0 | 36,0 | 30,4 | 43,0 | 37,4 | 50,0 | 44,4 | 11,4 | 5,8 | |
| 30 | 10,5 | 3,8 | 14,0 | 7,3 | 17,5 | 10,8 | 21,0 | 14,2 | 24,4 | 17,7 | 27,9 | 21,2 | 31,4 | 24,7 | 34,9 | 28,2 | 41,8 | 35,1 | 48,8 | 42,1 | 13,6 | 6,9 | |||
| 35 | 12,8 | 5,0 | 16,3 | 8,5 | 19,8 | 12,0 | 23,3 | 15,4 | 26,8 | 18,9 | 30,3 | 22,4 | 33,7 | 25,9 | 40,7 | 32,9 | 47,7 | 39,8 | 15,9 | 8,1 | |||||
| 40 | 15,2 | 6,2 | 18,7 | 9,7 | 22,1 | 13,2 | 25,6 | 16,7 | 29,1 | 20,1 | 32,6 | 23,6 | 39,5 | 30,6 | 46,5 | 37,5 | 18,2 | 9,2 | |||||||
| 45 | 17,5 | 7,4 | 21,0 | 10,9 | 24,5 | 14,4 | 28,0 | 17,9 | 31,4 | 21,4 | 38,4 | 28,3 | 45,4 | 35,3 | 20,4 | 10,4 | |||||||||
| 50 | 19,8 | 8,6 | 23,3 | 12,1 | 26,8 | 15,6 | 30,3 | 19,1 | 37,2 | 26,0 | 44,2 | 33,0 | 22,7 | 11,5 | |||||||||||
| 55 | 22,2 | 9,8 | 25,7 | 13,3 | 29,1 | 16,8 | 36,1 | 23,8 | 43,1 | 30,7 | 25,0 | 12,7 | |||||||||||||
| 60 | 24,5 | 11,1 | 28,0 | 14,5 | 34,9 | 21,5 | 41,9 | 28,5 | 27,2 | 13,8 | |||||||||||||||
| RK60 | 20 | 14,2 | 7,4 | 19,5 | 12,7 | 24,9 | 18,1 | 30,2 | 23,4 | 35,5 | 28,7 | 40,8 | 34,0 | 46,1 | 39,3 | 51,4 | 44,6 | 56,7 | 49,9 | 67,3 | 60,5 | 77,9 | 71,1 | 13,8 | 7,0 |
| 25 | 12,5 | 4,0 | 17,8 | 9,3 | 23,1 | 14,6 | 28,4 | 19,9 | 33,7 | 25,2 | 39,0 | 30,5 | 44,3 | 35,8 | 49,7 | 41,2 | 55,0 | 46,5 | 65,6 | 57,1 | 76,2 | 67,7 | 17,3 | 8,8 | |
| 30 | 16,0 | 5,8 | 21,4 | 11,2 | 26,7 | 16,5 | 32,0 | 21,8 | 37,3 | 27,1 | 42,6 | 32,4 | 47,9 | 37,7 | 53,2 | 43,0 | 63,8 | 53,6 | 74,4 | 64,2 | 20,7 | 10,5 | |||
| 35 | 19,6 | 7,7 | 24,9 | 13,0 | 30,2 | 18,3 | 35,5 | 23,6 | 40,8 | 28,9 | 46,2 | 34,3 | 51,5 | 39,6 | 62,1 | 50,2 | 72,7 | 60,8 | 24,2 | 12,3 | |||||
| 40 | 23,2 | 9,6 | 28,5 | 14,9 | 33,8 | 20,2 | 39,1 | 25,5 | 44,4 | 30,8 | 49,7 | 36,1 | 60,3 | 46,7 | 70,9 | 57,3 | 27,6 | 14,0 | |||||||
| 45 | 26,7 | 11,4 | 32,0 | 16,7 | 37,3 | 22,0 | 42,7 | 27,4 | 48,0 | 32,7 | 58,6 | 43,3 | 69,2 | 53,9 | 31,1 | 15,8 | |||||||||
| 50 | 30,3 | 13,3 | 35,6 | 18,6 | 40,9 | 23,9 | 46,2 | 29,2 | 56,8 | 39,8 | 67,4 | 50,4 | 34,5 | 17,5 | |||||||||||
| 55 | 33,8 | 15,1 | 39,2 | 20,5 | 44,5 | 25,8 | 55,1 | 36,4 | 65,7 | 47,0 | 38,0 | 19,3 | |||||||||||||
| 60 | 37,4 | 17,0 | 42,7 | 22,3 | 53,3 | 32,9 | 63,9 | 43,5 | 41,4 | 21,0 | |||||||||||||||
| RK80 | 20 | 20,1 | 10,5 | 27,6 | 18,0 | 35,1 | 25,5 | 42,6 | 33,0 | 50,0 | 40,4 | 57,5 | 47,9 | 65,0 | 55,4 | 72,5 | 62,9 | 80,0 | 70,4 | 95,0 | 85,4 | 110,0 | 100,4 | 19,5 | 9,9 |
| 25 | 17,6 | 5,6 | 25,1 | 13,1 | 32,6 | 20,6 | 40,1 | 28,1 | 47,6 | 35,6 | 55,1 | 43,1 | 62,6 | 50,6 | 70,1 | 58,1 | 77,5 | 65,5 | 92,5 | 80,5 | 107,5 | 95,5 | 24,4 | 12,4 | |
| 30 | 22,6 | 8,2 | 30,1 | 15,7 | 37,6 | 23,2 | 45,1 | 30,7 | 52,6 | 38,2 | 60,1 | 45,7 | 67,6 | 53,2 | 75,1 | 60,7 | 90,1 | 75,7 | 105,0 | 90,6 | 29,2 | 14,8 | |||
| 35 | 27,7 | 10,9 | 35,1 | 18,3 | 42,6 | 25,8 | 50,1 | 33,3 | 57,6 | 40,8 | 65,1 | 48,3 | 72,6 | 55,8 | 87,6 | 70,8 | 102,6 | 85,8 | 34,1 | 17,3 | |||||
| 40 | 32,7 | 13,5 | 40,2 | 21,0 | 47,7 | 28,5 | 55,1 | 35,9 | 62,6 | 43,4 | 70,1 | 50,9 | 85,1 | 65,9 | 100,1 | 80,9 | 39,0 | 19,8 | |||||||
| 45 | 37,7 | 16,1 | 45,2 | 23,6 | 52,7 | 31,1 | 60,2 | 38,6 | 67,7 | 46,1 | 82,6 | 61,0 | 97,6 | 76,0 | 43,8 | 22,2 | |||||||||
| 50 | 42,7 | 18,7 | 50,2 | 26,2 | 57,7 | 33,7 | 65,2 | 41,2 | 80,2 | 56,2 | 95,2 | 71,2 | 48,7 | 24,7 | |||||||||||
| 55 | 47,7 | 21,3 | 55,2 | 28,8 | 62,7 | 36,3 | 77,7 | 51,3 | 92,7 | 66,3 | 53,6 | 27,2 | |||||||||||||
| 60 | 52,8 | 24,0 | 60,3 | 31,5 | 75,2 | 46,4 | 90,2 | 61,4 | 58,4 | 29,6 | |||||||||||||||
| RK120 | 20 | 28,7 | 14,9 | 39,3 | 25,6 | 50,0 | 36,3 | 60,7 | 46,9 | 71,3 | 57,6 | 82,0 | 68,3 | 92,7 | 79,0 | 103,4 | 89,6 | 114,0 | 100,3 | 135,4 | 121,7 | 156,7 | 143,0 | 27,8 | 14,0 |
| 25 | 25,1 | 8,0 | 35,8 | 18,7 | 46,5 | 29,3 | 57,2 | 40,0 | 67,8 | 50,7 | 78,5 | 61,4 | 89,2 | 72,0 | 99,9 | 82,7 | 110,5 | 93,4 | 131,9 | 114,7 | 153,2 | 136,1 | 34,7 | 17,6 | |
| 30 | 32,3 | 11,7 | 43,0 | 22,4 | 53,6 | 33,1 | 64,3 | 43,7 | 75,0 | 54,4 | 85,7 | 65,1 | 96,3 | 75,8 | 107,0 | 86,4 | 128,4 | 107,8 | 149,7 | 129,1 | 41,6 | 21,1 | |||
| 35 | 39,5 | 15,5 | 50,1 | 26,1 | 60,8 | 36,8 | 71,5 | 47,5 | 82,2 | 58,1 | 92,8 | 68,8 | 103,5 | 79,5 | 124,8 | 100,8 | 146,2 | 122,2 | 48,6 | 24,6 | |||||
| 40 | 46,6 | 19,2 | 57,3 | 29,9 | 68,0 | 40,5 | 78,6 | 51,2 | 89,3 | 61,9 | 100,0 | 72,6 | 121,3 | 93,9 | 142,7 | 115,2 | 55,5 | 28,1 | |||||||
| 45 | 53,8 | 22,9 | 64,5 | 33,6 | 75,1 | 44,3 | 85,8 | 54,9 | 96,5 | 65,6 | 117,8 | 87,0 | 139,2 | 108,3 | 62,5 | 31,6 | |||||||||
| 50 | 61,0 | 26,7 | 71,6 | 37,3 | 82,3 | 48,0 | 93,0 | 58,7 | 114,3 | 80,0 | 135,7 | 101,4 | 69,4 | 35,1 | |||||||||||
| 55 | 68,1 | 30,4 | 78,8 | 41,1 | 89,5 | 51,7 | 110,8 | 73,1 | 132,2 | 94,4 | 76,3 | 38,6 | |||||||||||||
| 60 | 75,3 | 34,1 | 86,0 | 44,8 | 107,3 | 66,1 | 128,6 | 87,5 | 83,3 | 42,1 | |||||||||||||||
| RK160 | 20 | 39,3 | 20,5 | 53,9 | 35,1 | 68,6 | 49,7 | 83,2 | 64,4 | 97,9 | 79,0 | 112,5 | 93,6 | 127,1 | 108,3 | 141,8 | 122,9 | 156,4 | 137,6 | 185,7 | 166,8 | 214,9 | 196,1 | 38,1 | 19,2 |
| 25 | 34,5 | 37,6 | 49,1 | 25,6 | 63,8 | 40,2 | 78,4 | 54,9 | 93,0 | 69,5 | 107,7 | 84,1 | 122,3 | 98,8 | 137,0 | 113,4 | 151,6 | 128,0 | 180,9 | 157,3 | 210,1 | 186,6 | 47,6 | 24,1 | |
| 30 | 44,3 | 16,1 | 59,0 | 30,7 | 73,6 | 45,3 | 88,2 | 60,0 | 102,9 | 74,6 | 117,5 | 89,2 | 132,1 | 103,9 | 146,8 | 118,5 | 176,0 | 147,8 | 205,3 | 177,1 | 57,1 | 28,9 | |||
| 35 | 54,1 | 21,2 | 68,8 | 35,8 | 83,4 | 50,5 | 98,1 | 65,1 | 112,7 | 79,7 | 127,3 | 94,4 | 142,0 | 109,0 | 171,2 | 138,3 | 200,5 | 167,5 | 66,6 | 33,7 | |||||
| 40 | 64,0 | 26,3 | 78,6 | 40,9 | 93,2 | 55,6 | 107,9 | 70,2 | 122,5 | 84,8 | 137,2 | 99,5 | 166,4 | 128,7 | 195,7 | 158,0 | 76,2 | 38,5 | |||||||
| 45 | 73,8 | 31,4 | 88,4 | 46,0 | 103,1 | 60,7 | 117,7 | 75,3 | 132,3 | 90,0 | 161,6 | 119,2 | 190,9 | 148,5 | 85,7 | 43,3 | |||||||||
| 50 | 83,6 | 36,5 | 98,3 | 51,2 | 112,9 | 65,8 | 127,5 | 80,4 | 156,8 | 109,7 | 186,1 | 139,0 | 95,2 | 48,1 | |||||||||||
| 55 | 93,5 | 41,6 | 108,1 | 56,3 | 122,7 | 70,9 | 152,0 | 100,2 | 181,3 | 129,5 | 104,7 | 52,9 | |||||||||||||
| 60 | 103,3 | 46,8 | 117,9 | 61,4 | 147,2 | 90,7 | 176,5 | 119,9 | 114,2 | 57,7 | |||||||||||||||
| RK240 | 20 | 57,2 | 29,8 | 78,5 | 51,1 | 99,8 | 72,4 | 121,1 | 93,7 | 142,4 | 115,0 | 163,7 | 136,3 | 185,0 | 157,6 | 206,3 | 178,9 | 227,6 | 200,2 | 270,2 | 242,8 | 312,8 | 285,4 | 55,4 | 28,0 |
| 25 | 50,2 | 16,0 | 71,5 | 37,3 | 92,8 | 58,6 | 114,1 | 79,9 | 135,4 | 101,2 | 156,7 | 122,5 | 178,0 | 143,8 | 199,3 | 165,1 | 220,6 | 186,4 | 263,2 | 229,0 | 305,8 | 271,6 | 69,2 | 35,0 | |
| 30 | 64,5 | 23,5 | 85,8 | 44,8 | 107,1 | 66,1 | 128,4 | 87,4 | 149,7 | 108,7 | 171,0 | 130,0 | 192,3 | 151,3 | 213,6 | 172,6 | 256,2 | 215,2 | 298,8 | 257,8 | 83,0 | 42,0 | |||
| 35 | 78,8 | 30,9 | 100,1 | 52,2 | 121,4 | 73,5 | 142,7 | 94,8 | 164,0 | 116,1 | 185,3 | 137,4 | 206,6 | 158,7 | 249,2 | 201,3 | 291,8 | 243,9 | 96,9 | 49,0 | |||||
| 40 | 93,1 | 38,4 | 114,4 | 59,7 | 135,7 | 81,0 | 157,0 | 102,3 | 178,3 | 123,6 | 199,6 | 144,9 | 242,2 | 187,5 | 284,8 | 230,1 | 110,7 | 56,0 | |||||||
| 45 | 107,4 | 45,8 | 128,7 | 67,1 | 150,0 | 88,4 | 171,3 | 109,7 | 192,6 | 131,0 | 235,2 | 173,6 | 277,8 | 216,2 | 124,6 | 63,0 | |||||||||
| 50 | 121,7 | 53,3 | 143,0 | 74,6 | 164,3 | 95,9 | 185,6 | 117,2 | 228,2 | 159,8 | 270,8 | 202,4 | 138,4 | 70,0 | |||||||||||
| 55 | 136,0 | 60,8 | 157,3 | 82,1 | 178,6 | 103,4 | 221,2 | 146,0 | 263,8 | 188,6 | 152,2 | 77,0 | |||||||||||||
| 60 | 150,3 | 68,2 | 171,6 | 89,5 | 214,2 | 132,1 | 256,8 | 174,7 | 166,1 | 84,0 | |||||||||||||||
| RK300 | 20 | 73,7 | 38,4 | 101,1 | 65,9 | 128,6 | 93,3 | 156,0 | 120,8 | 183,4 | 148,2 | 210,9 | 175,6 | 238,3 | 203,1 | 265,8 | 230,5 | 293,2 | 258,0 | 348,1 | 312,9 | 403,0 | 367,8 | 71,4 | 36,1 |
| 25 | 64,6 | 20,6 | 92,1 | 48,0 | 119,5 | 75,5 | 147,0 | 102,9 | 174,4 | 130,4 | 201,9 | 157,8 | 229,3 | 185,3 | 256,8 | 212,7 | 284,2 | 240,1 | 339,1 | 295,0 | 394,0 | 349,9 | 89,2 | 45,2 | |
| 30 | 83,0 | 30,2 | 110,5 | 57,6 | 137,9 | 85,1 | 165,4 | 112,5 | 192,8 | 140,0 | 220,3 | 167,4 | 247,7 | 194,9 | 275,2 | 222,3 | 330,1 | 277,2 | 384,9 | 332,1 | 107,0 | 54,2 | |||
| 35 | 101,5 | 39,8 | 128,9 | 67,2 | 156,4 | 94,7 | 183,8 | 122,1 | 211,2 | 149,6 | 238,7 | 177,0 | 266,1 | 204,5 | 321,0 | 259,4 | 375,9 | 314,2 | 124,9 | 63,2 | |||||
| 40 | 119,9 | 49,4 | 147,3 | 76,8 | 174,8 | 104,3 | 202,2 | 131,7 | 229,7 | 159,2 | 257,1 | 186,6 | 312,0 | 241,5 | 366,9 | 296,4 | 142,7 | 72,2 | |||||||
| 45 | 138,3 | 59,0 | 165,7 | 86,4 | 193,2 | 113,9 | 220,6 | 141,3 | 248,1 | 168,8 | 303,0 | 223,7 | 357,9 | 278,6 | 160,6 | 81,3 | |||||||||
| 50 | 156,7 | 68,6 | 184,2 | 96,1 | 211,6 | 123,5 | 239,0 | 150,9 | 293,9 | 205,8 | 348,8 | 260,7 | 178,4 | 90,3 | |||||||||||
| 55 | 175,1 | 78,2 | 202,6 | 105,7 | 230,0 | 133,1 | 284,9 | 188,0 | 339,8 | 242,9 | 196,2 | 99,3 | |||||||||||||
| 60 | 193,5 | 87,8 | 221,0 | 115,3 | 275,9 | 170,2 | 330,8 | 225,0 | 214,1 | 108,4 | |||||||||||||||
| RK480 | 20 | 115,7 | 60,3 | 158,8 | 103,4 | 201,9 | 146,5 | 245,0 | 189,6 | 288,0 | 232,7 | 331,1 | 275,8 | 374,2 | 318,9 | 417,3 | 362,0 | 460,4 | 405,1 | 546,6 | 491,2 | 632,8 | 577,4 | 112,0 | 56,7 |
| 25 | 101,5 | 32,3 | 144,6 | 75,4 | 187,7 | 118,5 | 230,8 | 161,6 | 273,9 | 204,7 | 317,0 | 247,8 | 360,1 | 290,9 | 403,2 | 334,0 | 446,2 | 377,0 | 532,4 | 463,2 | 618,6 | 549,4 | 140,1 | 70,9 | |
| 30 | 130,4 | 47,4 | 173,5 | 90,5 | 216,6 | 133,6 | 259,7 | 176,7 | 302,8 | 219,8 | 345,9 | 262,8 | 389,0 | 305,9 | 432,1 | 349,0 | 518,3 | 435,2 | 604,4 | 521,4 | 168,1 | 85,0 | |||
| 35 | 159,4 | 62,5 | 202,4 | 105,6 | 245,5 | 148,7 | 288,6 | 191,7 | 331,7 | 234,8 | 374,8 | 277,9 | 417,9 | 321,0 | 504,1 | 407,2 | 590,3 | 493,4 | 196,1 | 99,2 | |||||
| 40 | 188,3 | 77,6 | 231,4 | 120,6 | 274,5 | 163,7 | 317,5 | 206,8 | 360,6 | 249,9 | 403,7 | 293,0 | 489,9 | 379,2 | 576,1 | 465,4 | 224,1 | 113,4 | |||||||
| 45 | 217,2 | 92,6 | 260,3 | 135,7 | 303,4 | 178,8 | 346,5 | 221,9 | 389,6 | 265,0 | 475,7 | 351,2 | 561,9 | 437,4 | 252,1 | 127,5 | |||||||||
| 50 | 246,1 | 107,7 | 289,2 | 150,8 | 332,3 | 193,9 | 375,4 | 237,0 | 461,6 | 323,2 | 547,8 | 409,4 | 280,1 | 141,7 | |||||||||||
| 55 | 275,0 | 122,8 | 318,1 | 165,9 | 361,2 | 209,0 | 447,4 | 295,2 | 533,6 | 381,3 | 308,1 | 155,9 | |||||||||||||
| 60 | 304,0 | 137,9 | 347,1 | 181,0 | 433,2 | 267,2 | 519,4 | 353,3 | 336,1 | 170,0 | |||||||||||||||
O gráfico é indicativo; para os torques ver a tabela abaixo.
| TABELA DE MOMENTO DE TORÇÃO RACKON "SR" N.O. (Nm) | |||||||||||||||||||||||||
| Tamanho | Mola | Ar bar | Momento de mola | ||||||||||||||||||||||
| 2 bar | 2,5 bar | 3 bar | 3,5 bar | 4 bar | 4,5 bar | 5 bar | 5,5 bar | 6 bar | 7 bar | 8 bar | |||||||||||||||
| 90° | 0° | 90° | 0° | 90° | 0° | 90° | 0° | 90° | 0° | 90° | 0° | 90° | 0° | 90° | 0° | 90° | 0° | 90° | 0° | 90° | 0° | 0° | 90° | ||
| RK20 | 20 | 4,9 | 2,5 | 6,7 | 4,4 | 8,6 | 6,2 | 10,4 | 8,0 | 12,2 | 9,9 | 14,0 | 11,7 | 15,9 | 13,5 | 17,7 | 15,3 | 19,5 | 17,2 | 23,2 | 20,8 | 26,8 | 24,5 | 4,8 | 2,4 |
| 25 | 4,3 | 1,4 | 6,1 | 3,2 | 8,0 | 5,0 | 9,8 | 6,8 | 11,6 | 8,7 | 13,4 | 10,5 | 15,3 | 12,3 | 17,1 | 14,2 | 18,9 | 16,0 | 22,6 | 19,6 | 26,2 | 23,3 | 6,0 | 3,0 | |
| 30 | 5,5 | 2,0 | 7,4 | 3,8 | 9,2 | 5,7 | 11,0 | 7,5 | 12,8 | 9,3 | 14,7 | 11,1 | 16,5 | 13,0 | 18,3 | 14,8 | 22,0 | 18,4 | 25,6 | 22,1 | 7,1 | 3,6 | |||
| 35 | 6,8 | 2,6 | 8,6 | 4,5 | 10,4 | 6,3 | 12,2 | 8,1 | 14,1 | 9,9 | 15,9 | 11,8 | 17,7 | 13,6 | 21,4 | 17,3 | 25,0 | 20,9 | 8,3 | 4,2 | |||||
| 40 | 8,0 | 3,3 | 9,8 | 5,1 | 11,6 | 6,9 | 13,5 | 8,8 | 15,3 | 10,6 | 17,1 | 12,4 | 20,8 | 16,1 | 24,4 | 19,7 | 9,5 | 4,8 | |||||||
| 45 | 9,2 | 3,9 | 11,0 | 5,7 | 12,9 | 7,6 | 14,7 | 9,4 | 16,5 | 11,2 | 20,2 | 14,9 | 23,8 | 18,5 | 10,7 | 5,4 | |||||||||
| 50 | 10,4 | 4,5 | 12,3 | 6,4 | 14,1 | 8,2 | 15,9 | 10,0 | 19,6 | 13,7 | 23,2 | 17,3 | 11,9 | 6,0 | |||||||||||
| 55 | 11,7 | 5,2 | 13,5 | 7,0 | 15,3 | 8,8 | 19,0 | 12,5 | 22,6 | 16,1 | 13,1 | 6,6 | |||||||||||||
| 60 | 12,9 | 5,8 | 14,7 | 7,6 | 18,4 | 11,3 | 22,0 | 15,0 | 14,3 | 7,2 | |||||||||||||||
| RK40 | 20 | 9,3 | 4,8 | 12,8 | 8,3 | 16,3 | 11,8 | 19,8 | 15,3 | 23,3 | 18,8 | 26,7 | 22,3 | 30,2 | 25,7 | 33,7 | 29,2 | 37,2 | 32,7 | 44,1 | 39,7 | 51,1 | 46,6 | 9,1 | 4,6 |
| 25 | 8,2 | 2,6 | 11,7 | 6,1 | 15,1 | 9,5 | 18,6 | 13,0 | 22,1 | 16,5 | 25,6 | 20,0 | 29,1 | 23,5 | 32,6 | 27,0 | 36,0 | 30,4 | 43,0 | 37,4 | 50,0 | 44,4 | 11,4 | 5,8 | |
| 30 | 10,5 | 3,8 | 14,0 | 7,3 | 17,5 | 10,8 | 21,0 | 14,2 | 24,4 | 17,7 | 27,9 | 21,2 | 31,4 | 24,7 | 34,9 | 28,2 | 41,8 | 35,1 | 48,8 | 42,1 | 13,6 | 6,9 | |||
| 35 | 12,8 | 5,0 | 16,3 | 8,5 | 19,8 | 12,0 | 23,3 | 15,4 | 26,8 | 18,9 | 30,3 | 22,4 | 33,7 | 25,9 | 40,7 | 32,9 | 47,7 | 39,8 | 15,9 | 8,1 | |||||
| 40 | 15,2 | 6,2 | 18,7 | 9,7 | 22,1 | 13,2 | 25,6 | 16,7 | 29,1 | 20,1 | 32,6 | 23,6 | 39,5 | 30,6 | 46,5 | 37,5 | 18,2 | 9,2 | |||||||
| 45 | 17,5 | 7,4 | 21,0 | 10,9 | 24,5 | 14,4 | 28,0 | 17,9 | 31,4 | 21,4 | 38,4 | 28,3 | 45,4 | 35,3 | 20,4 | 10,4 | |||||||||
| 50 | 19,8 | 8,6 | 23,3 | 12,1 | 26,8 | 15,6 | 30,3 | 19,1 | 37,2 | 26,0 | 44,2 | 33,0 | 22,7 | 11,5 | |||||||||||
| 55 | 22,2 | 9,8 | 25,7 | 13,3 | 29,1 | 16,8 | 36,1 | 23,8 | 43,1 | 30,7 | 25,0 | 12,7 | |||||||||||||
| 60 | 24,5 | 11,1 | 28,0 | 14,5 | 34,9 | 21,5 | 41,9 | 28,5 | 27,2 | 13,8 | |||||||||||||||
| RK60 | 20 | 14,2 | 7,4 | 19,5 | 12,7 | 24,9 | 18,1 | 30,2 | 23,4 | 35,5 | 28,7 | 40,8 | 34,0 | 46,1 | 39,3 | 51,4 | 44,6 | 56,7 | 49,9 | 67,3 | 60,5 | 77,9 | 71,1 | 13,8 | 7,0 |
| 25 | 12,5 | 4,0 | 17,8 | 9,3 | 23,1 | 14,6 | 28,4 | 19,9 | 33,7 | 25,2 | 39,0 | 30,5 | 44,3 | 35,8 | 49,7 | 41,2 | 55,0 | 46,5 | 65,6 | 57,1 | 76,2 | 67,7 | 17,3 | 8,8 | |
| 30 | 16,0 | 5,8 | 21,4 | 11,2 | 26,7 | 16,5 | 32,0 | 21,8 | 37,3 | 27,1 | 42,6 | 32,4 | 47,9 | 37,7 | 53,2 | 43,0 | 63,8 | 53,6 | 74,4 | 64,2 | 20,7 | 10,5 | |||
| 35 | 19,6 | 7,7 | 24,9 | 13,0 | 30,2 | 18,3 | 35,5 | 23,6 | 40,8 | 28,9 | 46,2 | 34,3 | 51,5 | 39,6 | 62,1 | 50,2 | 72,7 | 60,8 | 24,2 | 12,3 | |||||
| 40 | 23,2 | 9,6 | 28,5 | 14,9 | 33,8 | 20,2 | 39,1 | 25,5 | 44,4 | 30,8 | 49,7 | 36,1 | 60,3 | 46,7 | 70,9 | 57,3 | 27,6 | 14,0 | |||||||
| 45 | 26,7 | 11,4 | 32,0 | 16,7 | 37,3 | 22,0 | 42,7 | 27,4 | 48,0 | 32,7 | 58,6 | 43,3 | 69,2 | 53,9 | 31,1 | 15,8 | |||||||||
| 50 | 30,3 | 13,3 | 35,6 | 18,6 | 40,9 | 23,9 | 46,2 | 29,2 | 56,8 | 39,8 | 67,4 | 50,4 | 34,5 | 17,5 | |||||||||||
| 55 | 33,8 | 15,1 | 39,2 | 20,5 | 44,5 | 25,8 | 55,1 | 36,4 | 65,7 | 47,0 | 38,0 | 19,3 | |||||||||||||
| 60 | 37,4 | 17,0 | 42,7 | 22,3 | 53,3 | 32,9 | 63,9 | 43,5 | 41,4 | 21,0 | |||||||||||||||
| RK80 | 20 | 20,1 | 10,5 | 27,6 | 18,0 | 35,1 | 25,5 | 42,6 | 33,0 | 50,0 | 40,4 | 57,5 | 47,9 | 65,0 | 55,4 | 72,5 | 62,9 | 80,0 | 70,4 | 95,0 | 85,4 | 110,0 | 100,4 | 19,5 | 9,9 |
| 25 | 17,6 | 5,6 | 25,1 | 13,1 | 32,6 | 20,6 | 40,1 | 28,1 | 47,6 | 35,6 | 55,1 | 43,1 | 62,6 | 50,6 | 70,1 | 58,1 | 77,5 | 65,5 | 92,5 | 80,5 | 107,5 | 95,5 | 24,4 | 12,4 | |
| 30 | 22,6 | 8,2 | 30,1 | 15,7 | 37,6 | 23,2 | 45,1 | 30,7 | 52,6 | 38,2 | 60,1 | 45,7 | 67,6 | 53,2 | 75,1 | 60,7 | 90,1 | 75,7 | 105,0 | 90,6 | 29,2 | 14,8 | |||
| 35 | 27,7 | 10,9 | 35,1 | 18,3 | 42,6 | 25,8 | 50,1 | 33,3 | 57,6 | 40,8 | 65,1 | 48,3 | 72,6 | 55,8 | 87,6 | 70,8 | 102,6 | 85,8 | 34,1 | 17,3 | |||||
| 40 | 32,7 | 13,5 | 40,2 | 21,0 | 47,7 | 28,5 | 55,1 | 35,9 | 62,6 | 43,4 | 70,1 | 50,9 | 85,1 | 65,9 | 100,1 | 80,9 | 39,0 | 19,8 | |||||||
| 45 | 37,7 | 16,1 | 45,2 | 23,6 | 52,7 | 31,1 | 60,2 | 38,6 | 67,7 | 46,1 | 82,6 | 61,0 | 97,6 | 76,0 | 43,8 | 22,2 | |||||||||
| 50 | 42,7 | 18,7 | 50,2 | 26,2 | 57,7 | 33,7 | 65,2 | 41,2 | 80,2 | 56,2 | 95,2 | 71,2 | 48,7 | 24,7 | |||||||||||
| 55 | 47,7 | 21,3 | 55,2 | 28,8 | 62,7 | 36,3 | 77,7 | 51,3 | 92,7 | 66,3 | 53,6 | 27,2 | |||||||||||||
| 60 | 52,8 | 24,0 | 60,3 | 31,5 | 75,2 | 46,4 | 90,2 | 61,4 | 58,4 | 29,6 | |||||||||||||||
| RK120 | 20 | 28,7 | 14,9 | 39,3 | 25,6 | 50,0 | 36,3 | 60,7 | 46,9 | 71,3 | 57,6 | 82,0 | 68,3 | 92,7 | 79,0 | 103,4 | 89,6 | 114,0 | 100,3 | 135,4 | 121,7 | 156,7 | 143,0 | 27,8 | 14,0 |
| 25 | 25,1 | 8,0 | 35,8 | 18,7 | 46,5 | 29,3 | 57,2 | 40,0 | 67,8 | 50,7 | 78,5 | 61,4 | 89,2 | 72,0 | 99,9 | 82,7 | 110,5 | 93,4 | 131,9 | 114,7 | 153,2 | 136,1 | 34,7 | 17,6 | |
| 30 | 32,3 | 11,7 | 43,0 | 22,4 | 53,6 | 33,1 | 64,3 | 43,7 | 75,0 | 54,4 | 85,7 | 65,1 | 96,3 | 75,8 | 107,0 | 86,4 | 128,4 | 107,8 | 149,7 | 129,1 | 41,6 | 21,1 | |||
| 35 | 39,5 | 15,5 | 50,1 | 26,1 | 60,8 | 36,8 | 71,5 | 47,5 | 82,2 | 58,1 | 92,8 | 68,8 | 103,5 | 79,5 | 124,8 | 100,8 | 146,2 | 122,2 | 48,6 | 24,6 | |||||
| 40 | 46,6 | 19,2 | 57,3 | 29,9 | 68,0 | 40,5 | 78,6 | 51,2 | 89,3 | 61,9 | 100,0 | 72,6 | 121,3 | 93,9 | 142,7 | 115,2 | 55,5 | 28,1 | |||||||
| 45 | 53,8 | 22,9 | 64,5 | 33,6 | 75,1 | 44,3 | 85,8 | 54,9 | 96,5 | 65,6 | 117,8 | 87,0 | 139,2 | 108,3 | 62,5 | 31,6 | |||||||||
| 50 | 61,0 | 26,7 | 71,6 | 37,3 | 82,3 | 48,0 | 93,0 | 58,7 | 114,3 | 80,0 | 135,7 | 101,4 | 69,4 | 35,1 | |||||||||||
| 55 | 68,1 | 30,4 | 78,8 | 41,1 | 89,5 | 51,7 | 110,8 | 73,1 | 132,2 | 94,4 | 76,3 | 38,6 | |||||||||||||
| 60 | 75,3 | 34,1 | 86,0 | 44,8 | 107,3 | 66,1 | 128,6 | 87,5 | 83,3 | 42,1 | |||||||||||||||
| RK160 | 20 | 39,3 | 20,5 | 53,9 | 35,1 | 68,6 | 49,7 | 83,2 | 64,4 | 97,9 | 79,0 | 112,5 | 93,6 | 127,1 | 108,3 | 141,8 | 122,9 | 156,4 | 137,6 | 185,7 | 166,8 | 214,9 | 196,1 | 38,1 | 19,2 |
| 25 | 34,5 | 37,6 | 49,1 | 25,6 | 63,8 | 40,2 | 78,4 | 54,9 | 93,0 | 69,5 | 107,7 | 84,1 | 122,3 | 98,8 | 137,0 | 113,4 | 151,6 | 128,0 | 180,9 | 157,3 | 210,1 | 186,6 | 47,6 | 24,1 | |
| 30 | 44,3 | 16,1 | 59,0 | 30,7 | 73,6 | 45,3 | 88,2 | 60,0 | 102,9 | 74,6 | 117,5 | 89,2 | 132,1 | 103,9 | 146,8 | 118,5 | 176,0 | 147,8 | 205,3 | 177,1 | 57,1 | 28,9 | |||
| 35 | 54,1 | 21,2 | 68,8 | 35,8 | 83,4 | 50,5 | 98,1 | 65,1 | 112,7 | 79,7 | 127,3 | 94,4 | 142,0 | 109,0 | 171,2 | 138,3 | 200,5 | 167,5 | 66,6 | 33,7 | |||||
| 40 | 64,0 | 26,3 | 78,6 | 40,9 | 93,2 | 55,6 | 107,9 | 70,2 | 122,5 | 84,8 | 137,2 | 99,5 | 166,4 | 128,7 | 195,7 | 158,0 | 76,2 | 38,5 | |||||||
| 45 | 73,8 | 31,4 | 88,4 | 46,0 | 103,1 | 60,7 | 117,7 | 75,3 | 132,3 | 90,0 | 161,6 | 119,2 | 190,9 | 148,5 | 85,7 | 43,3 | |||||||||
| 50 | 83,6 | 36,5 | 98,3 | 51,2 | 112,9 | 65,8 | 127,5 | 80,4 | 156,8 | 109,7 | 186,1 | 139,0 | 95,2 | 48,1 | |||||||||||
| 55 | 93,5 | 41,6 | 108,1 | 56,3 | 122,7 | 70,9 | 152,0 | 100,2 | 181,3 | 129,5 | 104,7 | 52,9 | |||||||||||||
| 60 | 103,3 | 46,8 | 117,9 | 61,4 | 147,2 | 90,7 | 176,5 | 119,9 | 114,2 | 57,7 | |||||||||||||||
| RK240 | 20 | 57,2 | 29,8 | 78,5 | 51,1 | 99,8 | 72,4 | 121,1 | 93,7 | 142,4 | 115,0 | 163,7 | 136,3 | 185,0 | 157,6 | 206,3 | 178,9 | 227,6 | 200,2 | 270,2 | 242,8 | 312,8 | 285,4 | 55,4 | 28,0 |
| 25 | 50,2 | 16,0 | 71,5 | 37,3 | 92,8 | 58,6 | 114,1 | 79,9 | 135,4 | 101,2 | 156,7 | 122,5 | 178,0 | 143,8 | 199,3 | 165,1 | 220,6 | 186,4 | 263,2 | 229,0 | 305,8 | 271,6 | 69,2 | 35,0 | |
| 30 | 64,5 | 23,5 | 85,8 | 44,8 | 107,1 | 66,1 | 128,4 | 87,4 | 149,7 | 108,7 | 171,0 | 130,0 | 192,3 | 151,3 | 213,6 | 172,6 | 256,2 | 215,2 | 298,8 | 257,8 | 83,0 | 42,0 | |||
| 35 | 78,8 | 30,9 | 100,1 | 52,2 | 121,4 | 73,5 | 142,7 | 94,8 | 164,0 | 116,1 | 185,3 | 137,4 | 206,6 | 158,7 | 249,2 | 201,3 | 291,8 | 243,9 | 96,9 | 49,0 | |||||
| 40 | 93,1 | 38,4 | 114,4 | 59,7 | 135,7 | 81,0 | 157,0 | 102,3 | 178,3 | 123,6 | 199,6 | 144,9 | 242,2 | 187,5 | 284,8 | 230,1 | 110,7 | 56,0 | |||||||
| 45 | 107,4 | 45,8 | 128,7 | 67,1 | 150,0 | 88,4 | 171,3 | 109,7 | 192,6 | 131,0 | 235,2 | 173,6 | 277,8 | 216,2 | 124,6 | 63,0 | |||||||||
| 50 | 121,7 | 53,3 | 143,0 | 74,6 | 164,3 | 95,9 | 185,6 | 117,2 | 228,2 | 159,8 | 270,8 | 202,4 | 138,4 | 70,0 | |||||||||||
| 55 | 136,0 | 60,8 | 157,3 | 82,1 | 178,6 | 103,4 | 221,2 | 146,0 | 263,8 | 188,6 | 152,2 | 77,0 | |||||||||||||
| 60 | 150,3 | 68,2 | 171,6 | 89,5 | 214,2 | 132,1 | 256,8 | 174,7 | 166,1 | 84,0 | |||||||||||||||
| RK300 | 20 | 73,7 | 38,4 | 101,1 | 65,9 | 128,6 | 93,3 | 156,0 | 120,8 | 183,4 | 148,2 | 210,9 | 175,6 | 238,3 | 203,1 | 265,8 | 230,5 | 293,2 | 258,0 | 348,1 | 312,9 | 403,0 | 367,8 | 71,4 | 36,1 |
| 25 | 64,6 | 20,6 | 92,1 | 48,0 | 119,5 | 75,5 | 147,0 | 102,9 | 174,4 | 130,4 | 201,9 | 157,8 | 229,3 | 185,3 | 256,8 | 212,7 | 284,2 | 240,1 | 339,1 | 295,0 | 394,0 | 349,9 | 89,2 | 45,2 | |
| 30 | 83,0 | 30,2 | 110,5 | 57,6 | 137,9 | 85,1 | 165,4 | 112,5 | 192,8 | 140,0 | 220,3 | 167,4 | 247,7 | 194,9 | 275,2 | 222,3 | 330,1 | 277,2 | 384,9 | 332,1 | 107,0 | 54,2 | |||
| 35 | 101,5 | 39,8 | 128,9 | 67,2 | 156,4 | 94,7 | 183,8 | 122,1 | 211,2 | 149,6 | 238,7 | 177,0 | 266,1 | 204,5 | 321,0 | 259,4 | 375,9 | 314,2 | 124,9 | 63,2 | |||||
| 40 | 119,9 | 49,4 | 147,3 | 76,8 | 174,8 | 104,3 | 202,2 | 131,7 | 229,7 | 159,2 | 257,1 | 186,6 | 312,0 | 241,5 | 366,9 | 296,4 | 142,7 | 72,2 | |||||||
| 45 | 138,3 | 59,0 | 165,7 | 86,4 | 193,2 | 113,9 | 220,6 | 141,3 | 248,1 | 168,8 | 303,0 | 223,7 | 357,9 | 278,6 | 160,6 | 81,3 | |||||||||
| 50 | 156,7 | 68,6 | 184,2 | 96,1 | 211,6 | 123,5 | 239,0 | 150,9 | 293,9 | 205,8 | 348,8 | 260,7 | 178,4 | 90,3 | |||||||||||
| 55 | 175,1 | 78,2 | 202,6 | 105,7 | 230,0 | 133,1 | 284,9 | 188,0 | 339,8 | 242,9 | 196,2 | 99,3 | |||||||||||||
| 60 | 193,5 | 87,8 | 221,0 | 115,3 | 275,9 | 170,2 | 330,8 | 225,0 | 214,1 | 108,4 | |||||||||||||||
| RK480 | 20 | 115,7 | 60,3 | 158,8 | 103,4 | 201,9 | 146,5 | 245,0 | 189,6 | 288,0 | 232,7 | 331,1 | 275,8 | 374,2 | 318,9 | 417,3 | 362,0 | 460,4 | 405,1 | 546,6 | 491,2 | 632,8 | 577,4 | 112,0 | 56,7 |
| 25 | 101,5 | 32,3 | 144,6 | 75,4 | 187,7 | 118,5 | 230,8 | 161,6 | 273,9 | 204,7 | 317,0 | 247,8 | 360,1 | 290,9 | 403,2 | 334,0 | 446,2 | 377,0 | 532,4 | 463,2 | 618,6 | 549,4 | 140,1 | 70,9 | |
| 30 | 130,4 | 47,4 | 173,5 | 90,5 | 216,6 | 133,6 | 259,7 | 176,7 | 302,8 | 219,8 | 345,9 | 262,8 | 389,0 | 305,9 | 432,1 | 349,0 | 518,3 | 435,2 | 604,4 | 521,4 | 168,1 | 85,0 | |||
| 35 | 159,4 | 62,5 | 202,4 | 105,6 | 245,5 | 148,7 | 288,6 | 191,7 | 331,7 | 234,8 | 374,8 | 277,9 | 417,9 | 321,0 | 504,1 | 407,2 | 590,3 | 493,4 | 196,1 | 99,2 | |||||
| 40 | 188,3 | 77,6 | 231,4 | 120,6 | 274,5 | 163,7 | 317,5 | 206,8 | 360,6 | 249,9 | 403,7 | 293,0 | 489,9 | 379,2 | 576,1 | 465,4 | 224,1 | 113,4 | |||||||
| 45 | 217,2 | 92,6 | 260,3 | 135,7 | 303,4 | 178,8 | 346,5 | 221,9 | 389,6 | 265,0 | 475,7 | 351,2 | 561,9 | 437,4 | 252,1 | 127,5 | |||||||||
| 50 | 246,1 | 107,7 | 289,2 | 150,8 | 332,3 | 193,9 | 375,4 | 237,0 | 461,6 | 323,2 | 547,8 | 409,4 | 280,1 | 141,7 | |||||||||||
| 55 | 275,0 | 122,8 | 318,1 | 165,9 | 361,2 | 209,0 | 447,4 | 295,2 | 533,6 | 381,3 | 308,1 | 155,9 | |||||||||||||
| 60 | 304,0 | 137,9 | 347,1 | 181,0 | 433,2 | 267,2 | 519,4 | 353,3 | 336,1 | 170,0 | |||||||||||||||
ESQUEMA DE OPERAÇÃO
Sem pressão de alimentação, na versão de efeito simples, o atuador retorna automaticamente à posição de repouso realizando uma rotação no sentido horário do eixo e a posição final é a indicada no desenho. Recomenda-se montar um filtro no furo 4 para evitar que poeira ou partículas sólidas entrem na câmara do cilindro sem, no entanto, impedir a passagem de ar.
ESQUEMA DE OPERAÇÃO
Ao introduzir ar no furo 2 de alimentação, os pistões se movem para fora comprimindo as molas, o eixo gira no sentido anti-horário, a posição final é a mostrada no desenho.
DIAGRAMA DE OPERAÇÃO
Sem pressão de alimentação, na versão de efeito simples, o atuador retorna automaticamente à posição de repouso fazendo uma rotação anti-horária do eixo e a posição final é a indicada no desenho. Recomenda-se montar um filtro no furo 4 para evitar que poeira ou partículas sólidas entrem na câmara do cilindro sem, no entanto, impedir a passagem de ar.
ESQUEMA DE OPERAÇÃO
Ao introduzir ar no furo 2 de alimentação, os pistões se movem para fora comprimindo as molas, o eixo gira no sentido anti-horário, a posição final é a mostrada no desenho.
A) Certificar-se que o filtro esteja montado no furo 4 e que este não esteja bloqueado. Certificar-se que não exista ar pressurizado no atuador (em qualquer uma das duas câmaras).
B) Afrouxar a contraporca A1.
C) Introduzir o ar no furo “2” a baixa pressão (suficiente para movimento apenas) de modo que os pistões fiquem na posição de interruptor de limite.
D) Com uma chave Allen, apertar ou desapertar o grão A para obter a regulação desejada (intervalo máximo de regulação ±5°).
E) Uma vez obtida a regulação desejada, usar uma chave Allen para parar o grão A, enquanto com uma chave inglesa apertar a contraporca A1.
N.B. Se necessário, repetir as operações até obter a regulaçã desejada.
A) Certificar-se que não exista ar pressurizado no atuador (em qualquer uma das duas câmaras).
B) Afrouxar a contraporca B1.
D) Com uma chave Allen, apertar ou desapertar o grão B para obter a regulação desejada (intervalo máximo de regulação ±5°).
D) Uma vez obtida a regulação desejada, usar uma chave Allen para parar o grão B, enquanto com uma chave inglesa apertar a contraporca A1.
N.B. Se necessário, repetir as operações até obter a regulaçã desejada.
A) Certificar-se que não exista ar pressurizado no atuador (em qualquer uma das duas câmaras).
B) Remover o suprimento de ar.
C) Afrouxar a contraporca A1.
D) Com uma chave Allen, apertar ou desapertar o grão A para obter a regulação desejada (intervalo máximo de regulação ±5°).
E) Uma vez obtida a regulação desejada, usar uma chave Allen para parar o grão A, enquanto com uma chave inglesa apertar a contraporca A1.
N.B. Se necessário, repetir as operações até obter a regulaçã desejada.
A) Certificar-se que o filtro esteja montado no furo 4 e que este não esteja bloqueado. Certificar-se que não exista ar pressurizado no atuador (em qualquer uma das duas câmaras).
B) Afrouxar a contraporca B1.
C) Introduzir o ar no furo “2” a baixa pressão (suficiente para movimento apenas) de modo que os pistões fiquem na posição de interruptor de limite.
D) Com uma chave Allen, apertar ou desapertar o grão B para obter a regulação desejada (intervalo máximo de regulação ±5°).
E) Uma vez obtida a regulação desejada, usar uma chave Allen para parar o grão B, enquanto com uma chave inglesa apertar a contraporca A1.
N.B. Se necessário, repetir as operações até obter a regulaçã desejada.