DADOS TÉCNICOS Ângulo de trabalho nominal: 90°ajustável entre 20°e 95° Tipo de regulação: contínua por meio de cames autofrenantes interruptores de limite eletromecânicos. Torque nominal de trabalho: de 35 a 240 Nm. Tempo de manobra (0°- 90°): ver o diagrama. Serviço: S3 ED 50% de acordo com CEI 60034. Conformidade com as normas: Diretiva de baixa tensão 2014/35/UE; Diretiva de compatibilidade eletromagnética 2014/30/CE. Grau de proteção: IP67 de acordo com a EN60529. Temperatura do ambiente de trabalho: -25°+ 60° C. Temperatura limite de armazenamento: -40°+ 90°C. Proteção termostática autoreset interna ao motor. Enrolamento do motor com isolamento de classe F (155°C). Rotor suportado em rolamentos a esfera. Conexão para acionamento manual de emergência (chave hexagonal incluída) Indicador visual externo a semáforo com zona superior graduada Resistência à condensação de série. Conexões elétricas através de conectores IP67, disponíveis a pedido com cabo pré-cablado. 2 interruptores de limite eletromecânicos SPDT para indicação auxiliar com cames ajustáveis em todo o curso. Nível máximo de ruído durante o funcionamento <70 dB (A). Tensão de alimentação: 230 Vac ±10%, 50/60 Hz monofásico; 115 Vac ±10%, 50/60 Hz monofásico; 24 V ac/dc ±10%; 24 V dc ±5%.
TORQUES
MODELO
EA0035
EA0070
EA0130
EA0240
Torque nominal de operação
Nm
35
70
130
240
Torque máx. para transientes
Nm
45
85
160
280
CÓDIGOS DE PEDIDO DO ATUADOR
IP67 VERSION
DIMENSÕES
A
B
C
D
E
øF
øG
øH
øI
øL
øM
N
O
P
☐Q
R
S
T
U
Kg
EA0035
137
109
132
190
84
70
50
36
M8x14
M6x11
M5x9
70
74
59
14
69
18
26
67,5
3,6
EA0070
137
109
136
190
84
70
50
- -
M8x14
M6x11
- -
70
74
59
14
69
18
26
67,5
3,8
EA0130
157,5
129,5
160
221,5
93
102
70
50
M10x17
M8x15
M6x11
67,5
90,5
57
17
84
17
31
76
7,2
EA0240
157,5
129,5
163,5
221,5
93
102
70
- -
M10x17
M8x15
- -
67,5
90,5
57
22
84
17
31
76
7,5
IP68 VERSION
DIMENSÕES
A
B
C
D
E
øF
øG
øH
øI
øL
øM
N
O
P
☐Q
R
S
T
U
Kg
EA0035
142,1
137,5
132
172
84
70
50
36
M8x14
M6x11
M5x9
109,8
74
177,1
14
69
14
26
67,5
3,8
EA0070
142,1
137,5
136
172
84
70
50
- -
M8x14
M6x11
- -
109,8
74
177,1
14
69
14
26
67,5
4
EA0130
162,8
158,2
160
204,6
93
102
70
50
M10x17
M8x15
M6x11
109,8
90,5
211,1
17
84
12
31
76
7,4
EA0240
162,8
158,2
163,5
204,6
93
102
70
- -
M10x17
M8x15
- -
109,8
90,5
211,1
22
84
12
31
76
7,7
IP67 VERSION
MATERIAIS
1
Corpo
Alumínio
2
Cobertura do redutor
Alumínio
3
Indicador de posição
PMMA
4
Cobertura do grupo elétrico
Alumínio
5
Cobertura da barra de terminais
Alumínio
6
Connector
PA6 / PBT
7
Conexão de alavanca
Aço
8
Eixo fêmea
Aço inoxidável
9
Alavanca
Aço inoxidável
IP68 VERSION
MATERIAIS
1
Corpo
Alumínio
2
Cobertura do redutor
Alumínio
3
Indicador de posição
PMMA
4
Cobertura do grupo elétrico
Alumínio
5
Cobertura da barra de terminais
Alumínio
6
Box H27
Alumínio
7
Conexão de alavanca
Aço
8
Eixo fêmea
Aço inoxidável
9
Alavanca
Aço inoxidável
10
Cable gland
Brass
DIAGRAMAS DE FUNCIONAMENTO EA0035
DIAGRAMAS DE FUNCIONAMENTO EA0070
DIAGRAMAS DE FUNCIONAMENTO EA0130
DIAGRAMAS DE FUNCIONAMENTO EA0240
IP67 DIAGRAMA ELÉTRICO DE CONEXÃO PARA ALIMENTAÇÃO 24 Vac/dc - 24 Vdc
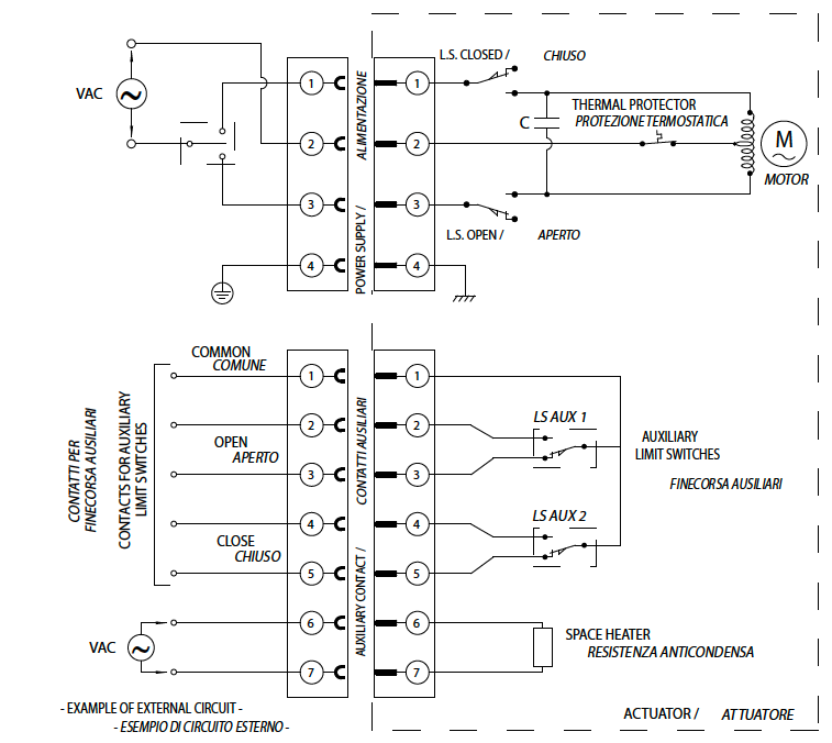
IP67 DIAGRAMA ELÉTRICO DE CONEXÃO PARA ALIMENTAÇÃO 115 - 230 Vac
IP68 DIAGRAMA ELÉTRICO DE CONEXÃO PARA ALIMENTAÇÃO 24 Vac/dc - 24 Vdc
IP68 DIAGRAMA ELÉTRICO DE CONEXÃO PARA ALIMENTAÇÃO 115 - 230 Vac